调试中的注意事项IC解密
调试结果是否正确,IC解密很大程度上受测量正确与否和测量精度的影响。为了保证调试的效果,必须减小测量误差,提高测量精度。为此,需注意以下几点:
(1) 正确使用测量仪器的接地端
凡是使用地端接机壳的电子仪器进行测量时,仪器的接地端应和放大器的接地端连接在一起,否则仪器机壳引入的干扰不仅会使放大器的工作状态发生变化,而且将使测量结果出现误差。根据这一原则,调试发射极偏置电路时,若需测量VCE,不应把仪器的两端直接接在集电极和发射极上,而应分别对地测出VC、VE,然后将二者相减得VCE。若使用干电池供电的万用表进行测量,由于电表的两个输入端是浮动的,所以允许直接跨接到测量点之间。
(2) 测量电压所用仪器的输入阻抗必须远大于被测处的等效阻抗
若测量仪器输入阻抗小,则在测量时会引起分流,给测量结果带来很大误差。
(3) 测量仪器的带宽必须大于被测电路的带宽
例如:MF-20型万用表的工作频率为20~20000 Hz。如果放大器的fh =100 kHz,我们就不能用 MF-20来测试放大器的幅频特性,否则,测试结果就不能反映放大器的真实情况。
(4) 要正确选择测量点
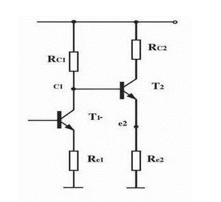
IC解密用同一台测量仪器进行测量时,测量点不同,仪器内阻引进的误差大小将不同。例如,对于图1所示电路,测C1点电压VC1时,若选择e2为测量点,测得VE2,根据VCl=VE2+VBE2求得的结果,可能比直接测Cl点得到的VC1的误差要小得多。所以出现这种情况,是因为Re2较小,仪器内阻引进的测量误差小。

图1
(5) 测量方法要方便可行
需要测量某电路的电流时,一般尽可能测电压而不测电流,因为测电压不必改动被测电路,测量方便。若需知道某一支路的电流值,可以通过测取该支路上电阻两端的电压,经过换算而得到。
(6) 调试过程中,不但要认真观察和测量,还要善于记录
记录的内容包括实验条件、IC解密观察的现象、测量的数据、波形和相位关系等。只有有了大量可靠的实验记录并与理论结果加以比较,才能发现电路设计上的问题,完善设计方案。

芯片解密