STM32到德州TM4C123的快速入门IC解密
IC解密TI主要学习还是通过北航出版的《嵌入式系统教程——基于TivaC系列 ARM Cortex—M4微控制器》为主资料,因为这个资料比较通俗易懂,如果不喜欢看电子版的,可以去图书馆借这本书,还有一本配套的书,忘记叫啥名字了,但是想借的话直接图书馆检索TM4C123GH6PM就可以找到,这本书主要还是纯文字教你怎么配置相应功能和相应项目的思路。其次,除了北航的那本书,配套的资料还应该有《TM4C1233H6PM数据手册中文版》、中英文版本的《TM4CDriver_Library》,数据手册的话主要就是了解相关外设功能,以及对应映射引脚查找。《TM4CDriver_Library》主要是API文档,因为TI不同于32,TI的函数的入口参数无法通过像32一样的方法查找选择合适的参数,所以,该文档就很有作用,对于一个函数,可以通过该文档进行查找,找到函数所在的位置,有详细的关于该函数的讲解,可以了解该功能,同时还有入口参数的例子,若要选择其他入口参数,则复制该参数,在程序文件里面查找定义的位置,就可以看到附近还有同类的参数,选择需要的参数即可。
对于单片机的定时,那是一部分很重要的东西,这其中就有以分资料单独讲怎么配置各种定时器,实现不同功能,有例程,《TM4C123G定时器》就是一份资料,学习定时器的时候对照着来,会比较容易很多。
当然了,网上还有很多人的学习记录博客,这些也是很有用的资料,因为学习TI,就是要知道怎么用,怎么配置相关程序,博客就解决了这类问题。CSDN上面这一类型的TI教程不多,懒得找的话可以来找我拷贝。
系统时钟
IC解密对于51单片机来说,在书写程序时候是不需要进行系统的时钟函数的配置的,直接由晶振电路来提供。
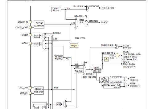
如图所示,直接是32和TI的系统时钟框图

32系统时钟

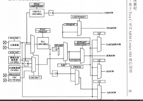
TI系统时钟
对于32 的时钟来说,常用的时钟主要分为AHB和APB两大部分,且系统时钟不需要自己来配置。
/*
void RCC_AHB1PeriphClockCmd(uint32_t RCC_AHB1Periph, FunctionalState NewState);
void RCC_AHB2PeriphClockCmd(uint32_t RCC_AHB2Periph, FunctionalState NewState);
void RCC_AHB3PeriphClockCmd(uint32_t RCC_AHB3Periph, FunctionalState NewState);
void RCC_APB1PeriphClockCmd(uint32_t RCC_APB1Periph, FunctionalState NewState);
void RCC_APB2PeriphClockCmd(uint32_t RCC_APB2Periph, FunctionalState NewState);
void RCC_AHB2PeriphClockCmd(uint32_t RCC_AHB2Periph, FunctionalState NewState);
void RCC_AHB3PeriphClockCmd(uint32_t RCC_AHB3Periph, FunctionalState NewState);
void RCC_APB1PeriphClockCmd(uint32_t RCC_APB1Periph, FunctionalState NewState);
void RCC_APB2PeriphClockCmd(uint32_t RCC_APB2Periph, FunctionalState NewState);
*/
每个部分对应多大的频率,对应的定时器编号,串口编号也已经设定好。所以,在使用相对应的功能时候直接在这两类里面进行查找然后使能外设就可以用了,例如使用GPIO、定时器等功能时候直接用函数里面的参数来查找:
/*
/*
RCC_AHB1PeriphClockCmd(RCC_AHB1Periph_GPIOA,ENABLE);//使能 GPIOA 时钟
RCC_APB2PeriphClockCmd(RCC_APB2Periph_USART1,ENABLE);//使能串口
*/
然而,对于TI来说,系统的时钟也是分为AHB和APB两种,但是在配置时候可进行自由选择(由于初入TI,对这里没有仔细学习,感兴趣的可以了解),但是配置时钟时候,可以只需要运用“SysCtlClockSet()”函数来自己来设定,不像32一样直接规定了不同外设用不同的频率。函数的入口参数就是:系统的分频、使用OSC还是PLL、OSC时钟源选择、外接晶体频率,这四种来完成设备的时钟,例如:
/*
SysCtlClockSet(SYSCTL_SYSDIV_1 | SYSCTL_USE_OSC | SYSCTL_XTAL_16MHZ SYSCTL_OSC_MAIN)
*/
最后使能相应的功能即可。(关于其时钟配置的参数详细讲解见)。
在配置好系统的时钟之后,根据需要的外设功能进行相应的使能:
/*
SysCtlPeripheralEnable(uint32_t ui32Peripheral)

芯片解密